虹润介绍
虹润概览
智能制造
测试中心
知识产权
国家标准
虹润资质
智能客服
虹润文化
领导关怀
虹润荣誉
社会贡献
人大履职
新闻动态
员工之家
虹润党建
OHR产品
EHR产品
大事记
操作说明书
选型
寄存器地址
通讯软件
联系我们
在线留言
物资招标
English
NHR-X33系列导轨式智能配电器
NHR-X32系列导轨式智能温度变送器
导轨式智能配电器
智能配电器
NHR-X33系列
OHR-B00信号发生器
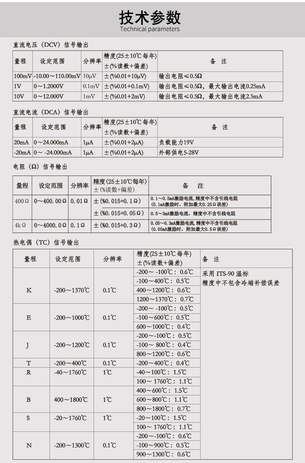
信号发生器是一种多功能、高精度便携式信号源,可用于输出各种规格的工业信号,支持电流、电压、电阻、频率、热电偶、热电阻等多种信号输出类型,最高精度可达0.01%F.S,是工业现场、实验室以及各类仪表制造商必备的计量测试工具。
1、OHR-B00信号发生器使用说明书 (鼠标右键另存下载)
2、OHR-B00信号发生器选型手册(鼠标右键另存下载)
请问OHR-A00过程校验仪,冷端温度自动补偿设置如何操作? 答:OHR-A00过程校验仪没有自动冷端补偿功能,冷端补偿的设定方法:在热电偶测量或输出界面下,屏幕右下角会显示参考温度,按“T.SET”可以对参考温度进行修改,修改后按“ENTER”键确认即可。
咨询电话 4006007011
商务邮箱 hrgs@hrgs.com.cn
虹润官方微信
fjhongrun