虹润介绍
虹润概览
智能制造
测试中心
知识产权
国家标准
虹润资质
智能客服
虹润文化
领导关怀
虹润荣誉
社会贡献
人大履职
新闻动态
员工之家
虹润党建
OHR产品
EHR产品
大事记
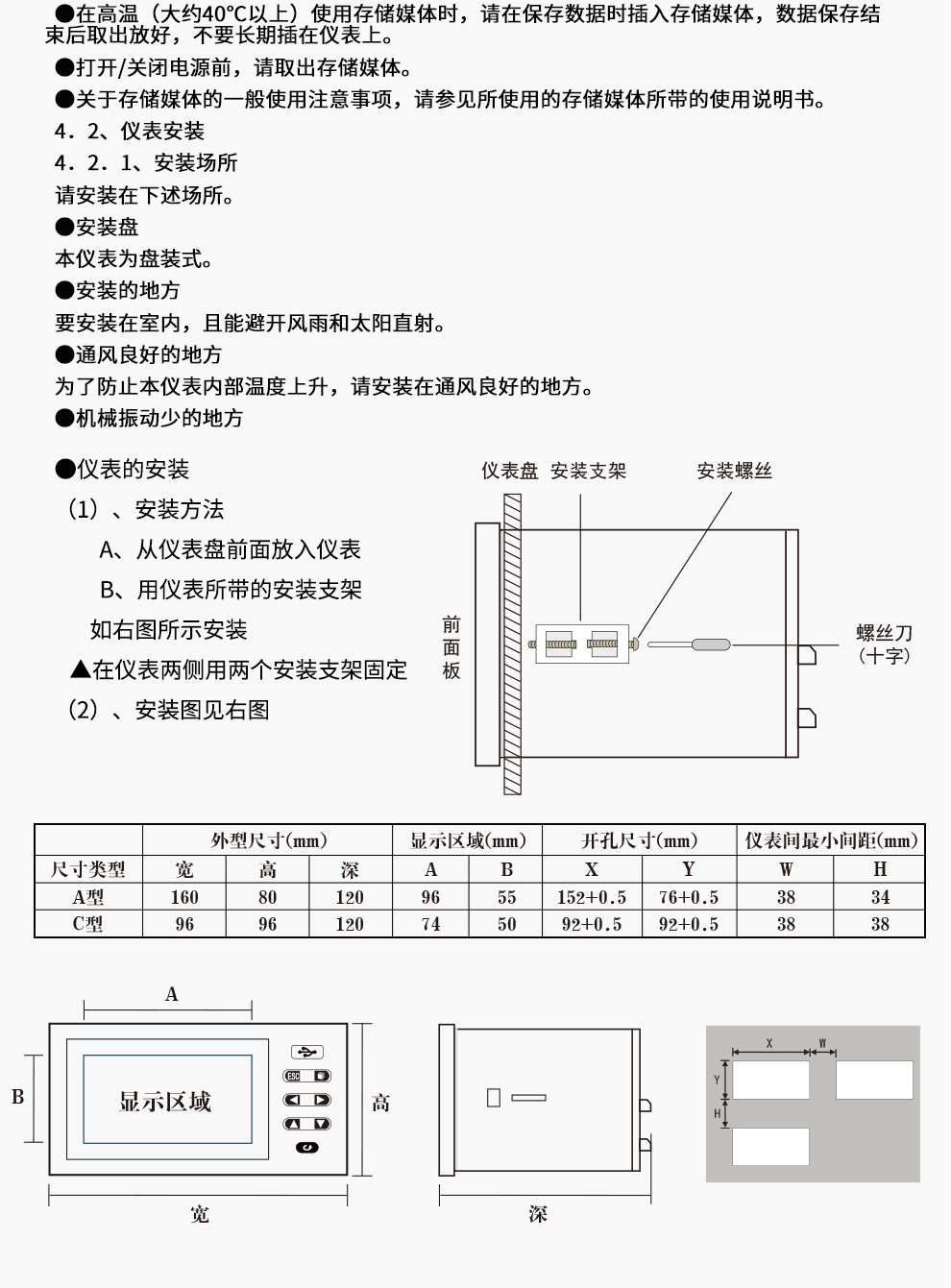
操作说明书
选型
寄存器地址
通讯软件
联系我们
在线留言
物资招标
English
NHR-X33系列导轨式智能配电器
NHR-X32系列导轨式智能温度变送器
导轨式智能配电器
智能配电器
NHR-X33系列
OHR-G100T彩色无纸记录仪
大屏高清彩显,八路全切换信号输入,通道相互隔离,以太网/RS485通讯
1、OHR-G100T系列彩色无纸记录仪说明书(230925).pdf(鼠标右键另存下载)
2、OHR-G100T选型.pdf(鼠标右键另存下载)
咨询电话 4006007011
商务邮箱 hrgs@hrgs.com.cn
虹润官方微信
fjhongrun