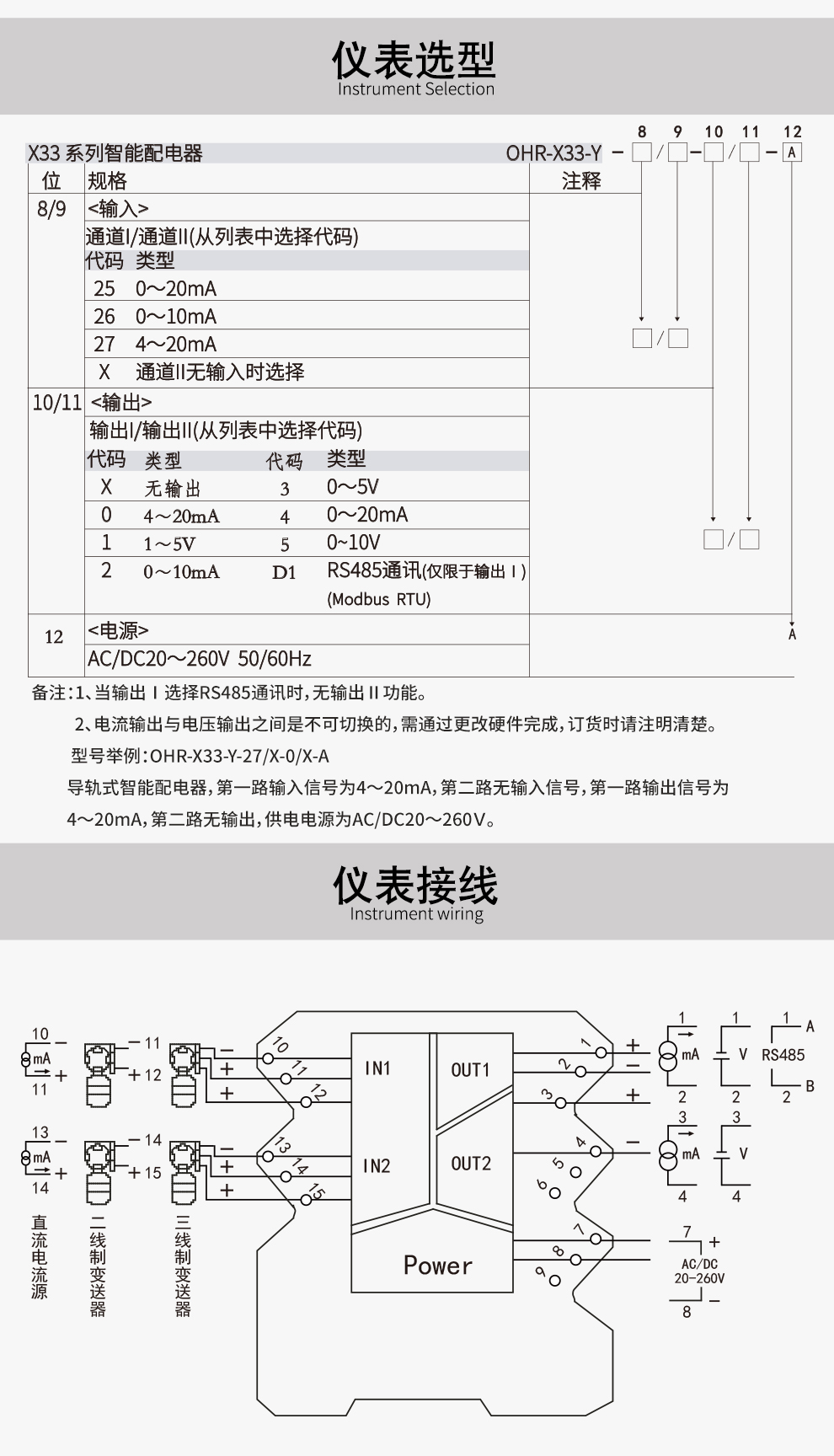
OHR-X33系列智能配电器
OHR-X33系列导轨式智能配电器给二、三线制变送器提供隔离的电源电压,将变送器产生的直流电压电流信号,经本隔离器转换成所需的输出信号至控制系统。宽电源设计:20-260V交直流供电。配置高清显示单元,通过轻触按键设置每个通道的参数及每个通道之间的切换。
1、OHR-X33系列智能配电器使用说明书(鼠标右键另存下载)
2、OHR-X33系列智能配电器选型手册(鼠标右键另存下载)
1、隔离器与安全栅的区别是什么?
答:隔离器与安全栅最明显的区别在于:隔离器用在普通场合,而安全栅用在防爆的场合,安全栅包括输入端与输出端,输入端是危险区到安全区,输出端是安全区到危险区。
2、隔离器与隔离栅有什么区别,在什么情况下用隔离器在什么情况下用隔离栅?
答:隔离器主要作用是隔离现场一次设备中的干扰信号,可以防止信号扰动、不准等问题;隔离式安全栅作用是隔离危险区和安全区之间的危险电压达到防爆目的。一般常规场合都可使用隔离器;隔离式安全栅用在有危险防爆场合的现场。